-
气体与细水雾
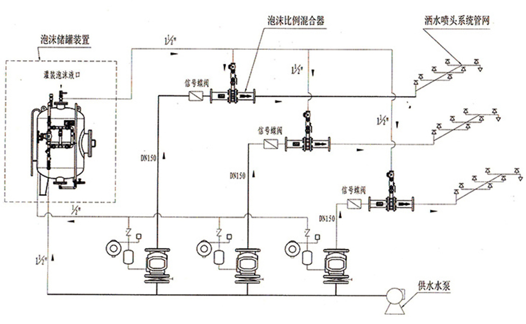
闭式泡沫-水喷淋装置 简介
闭式泡沫-水喷淋装置,是应用于地下室和汽车停车库等场所,该系统在原自动喷淋灭火系统的基础上,增加一套压力式比例混合装置,该装置能够将泡沫液通过比例混合器按一定的比例加入到喷淋管网中与水混合,形成泡沫混合液,再通过闭式喷头直接喷出泡沫实施灭火。
闭式泡沫―水喷淋装置由泡沫液储罐,闭式洒水喷头,比例混合装置,报警阀,控制盘,泡沫液控制阀,压力泄放阀和管件组成。泡沫液类型,,AFFF(水成膜),FP(氟蛋白),
泡沫罐容量,适用于0.6-5立方的立式,卧式罐

喷淋泡沫罐连接报警阀安装图

标记示例:PZBS32/1-3表示大流量为32L/S,泡沫罐容量为1m³ ,混合比为3%的闭式泡沫-喷淋装置
(二)闭式泡沫-水喷淋装置规格型号
型 号 | PZBS32/1-3 | PZBS32/2-3 | PZBS32/3-6 | PZBS32/5-3 |
混合液流量范围L/S | 4-32 | 12-48 | 4-64 | 12-96 |
进出口通径 | DN100 | DN150 | DN150 | DN200 |
压力损失 Mpa | 0.2 | 0.2 | 0.2 | 0.2 |
泡沫液储罐有卧式和立式两种类型,容量根据客户要求制作。
(三)系统主要性能
A、系统的作用面积应符合下列规定:
1 系统的作用面积应为465 m2;
2 当防护区面积小于465 m2时,可按防护区实际面积确定;
3 当试验值不同于本条上述规定时,可采用试验值。
B、系统的供给强度不应小于6.5 L/(min·m2)。
C、系统输送的泡沫混合液应在8 L/s至大设计流量范围内达到额定的混合比。
D、喷头的选用应符合下列规定:
1 应选用闭式洒水喷头;
2 当喷头设置在屋顶时,其公称动作温度应在121℃~149℃范围内;
3 当喷头设置在保护场所的中间层面时,其公称动作温度应在57℃~79℃范围内;当保护场所的环境温度较高时,其公称动作温度宜高于环境高温度30℃。
E、喷头的设置应符合下列规定:
1 任意四个相邻喷头组成的四边形保护面积内的平均供给强度不应小于设计供给强度,也不宜大于设计供给强度的1.2倍;
2 喷头周围不应有影响泡沫喷洒的障碍物;
3 每只喷头的保护面积不应大于12m2;
4 同一支管上两只相邻喷头的水平间距、两条相邻平行支管的水平间距均不应大于
PZBS32/1-3,闭式喷淋泡沫灭火装置PZBS32/2-3,PZBS32/3-6,车库泡沫罐PZBS32/5-3









































